能源行业

致力于为水电、核电、新能源等领域等试验台提供智能化的自动化解决方案,提高试验效率和数据分析能力,保障系统安全稳定运行。

水轮机模型冲击试验台

水轮机模型冲击试验台

试验台用于对水轮机模型进行试验。控制系统根据事先规划的试验流程,自动完成管路、阀门构型切换,调节水泵转速指定水头,不断调节调节喷针行程及测功机转速,记录对应工况点数据。

系统包含高压配电箱式变电站、测功机及水泵的调速系统、DCS控制系统、各类力、振动、流量、温度测量传感器及其激励、隔离与放大系统、基于PXI总线的数据采集分析系统。

软件可对水头、主力矩、摩擦力矩、尾水液位、大气压力、水温、喷针行程等多个传感器进行原位标定。采用最小二乘法对标定数据进行二次多项式曲线拟合,得到传感器特性参数(多项式的系数)、绝对误差、局部相对误差和满量程相对误差。

试验数据后处理软件将上述过程标准数据文件进行清洗、分析,计算绘制综合特性曲线。

高温高压屏蔽泵试验台

高温高压屏蔽泵试验台

屏蔽泵试验用于对屏蔽泵进行冷\热态性能试验、运行试验、升降温试验、电压频率波动试验、汽蚀余量试验等。

试验台架由封闭高温高压管路组成,屏蔽泵驱动介质在回路中流动。通过控制对屏蔽泵供电条件的变化,或改变其回路介质流量、温度的高低,测量相关泵性能参数,以获得其对应特性。

系统分为测量与控制两大部分,二者通过以太网连接在一起。

控制软件主要完成电气参数、过程参数以及台架系统的运行控制,包括电源电压、频率的调节、阀开度的调节、稳压器、加热器、冷却器的控制、补水泵的控制等,实现回路流量、压力、温度、升降温速率的调节。在这些控制过程中,需要软件完成密度补偿、文氏管流量计算、扬程计算。

测量平台基于PXI总线产品,测量软件主要完成试验数据的采集,通过对采集信息的分析处理后,通过最小二乘法完成曲线拟合、绘制及试验报告的生成。

水轮机模型空化识别研究

水轮机模型空化识别研究

空化现象伴随着噪声与振动,导致效率下降、出力减少、振动加剧。我们在现有试验台上,增加部分传感器及信号预处理设备,构架出所需的识别系统。通过对采集到的空化发生过程中的声、像数据进行清洗、存储、空化识别,将大数据理论、机器学习理论应用在模型试验中,对相关领域的技术进行了创造性的探索。

整个系统使用到的技术包括:图形数据的预处理;基于梯度特征统计的空化图像识别方法;基于卷积神经网络的空化图像识别方法;噪声数据的预处理;基于SVCC的空化噪声识别方法。同时作为研究性的课题,我们还尝试了采用了基于LSTM以及聚类方法在空化噪声识别的应用研究。

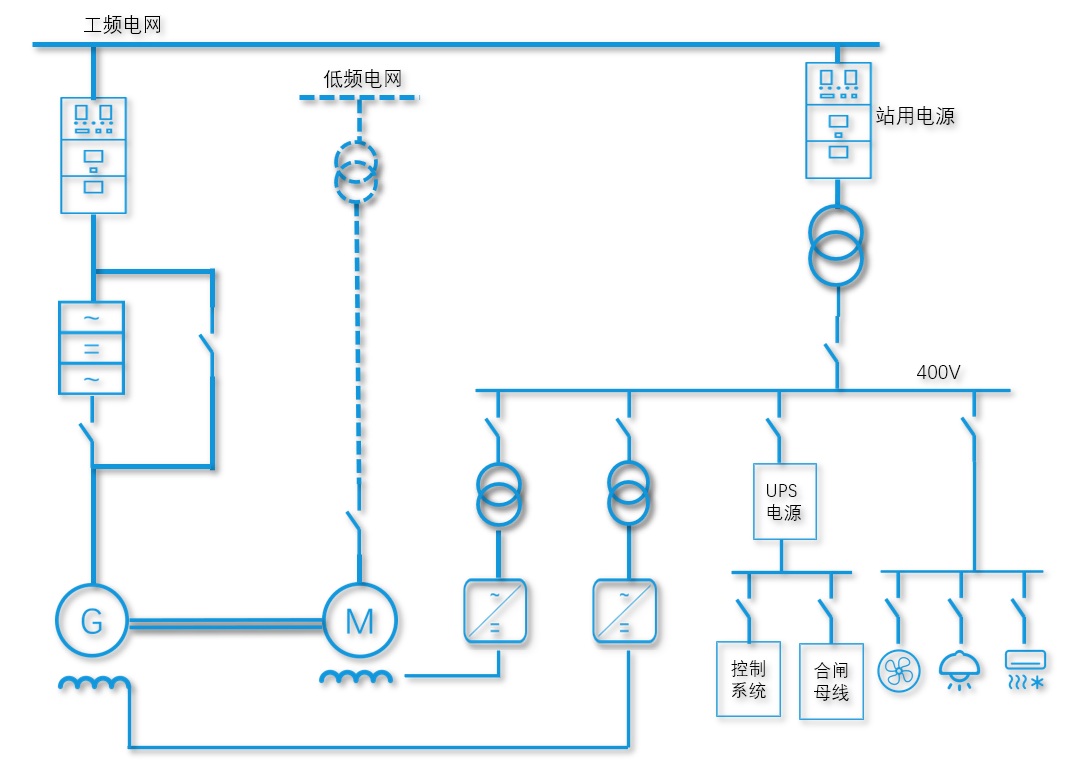
电动-发电机组变频试验

电动-发电机组变频试验

M-G组合新能源同步发电技术,是在风力机和电网之间加了一组"物理缓冲器",让风力发电不再采用功率电力电子元件并网,而是像传统火电厂一样通过旋转电机并网。这种机组具备真实的物理惯量,当电网频率波动时能够提供阻尼支撑。是未来构建新型电力系统的重要技术方向。

在项目中,我们需要根据两侧电网所处不同状态,控制机组的启动、并网、励磁的调节、故障隔离等工作。